Panel Cutouts & Dimensions
G1000 (Non-NXi Model)
Each RealSimGear G1000 PFD/MFD unit is 306mm wide x 200mm tall and sits 7mm in front of the desktop bracket or panel surface (not including the knobs)
The panel cutout dimensions are below, or you can download a PDF version or DXF file here and here. This drawing shows the overall dimensions of the G1000 Suite.

G1000 NXi
Each RealSimGear G1000 NXi XFD unit is 306mm wide x 200mm tall and sits 14mm in front of the desktop bracket or panel surface (not including the knobs)
Single device cutouts are provided as either a .DXF file or as a .PDF file
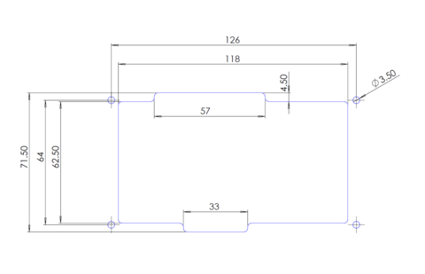
G1000 Suite (Standard and NXi) Single Piece Stand
The single piece G1000 Suite Stand is 676.74mm wide, 221.37mm high, and 115mm deep. Depth measurement is provided without the devices installed.
Cutouts for the G1000 Suite are provided as either a .DXF file or as a .PDF file


GNS530
The RealSimGear GNS530 device measures 158mm x 118mm and sits 22mm in front of the desktop bracket or panel surface.
The panel cutout dimensions are below, or you can download a PDF version or a DXF version.

GNS430
The RealSimGear GNS430 device measures 158mm wide x 72mm and sits 22mm in front of the desktop bracket or panel surface.
The panel cutout dimensions are below, or you can download a PDF version or a DXF version.

GTN750
The RealSimGear GTN750 device measures 158mm x 160mm and sits 22mm in front of the desktop bracket or panel surface.
The panel cutout dimensions are below, or you can download a PDF version or DXF file here. (DXF file contains device footprint for proper device spacing.)

GTN650
The RealSimGear GTN650 device measures 158mm x 68mm and sits 22mm in front of the desktop bracket or panel surface.
The panel cutout dimensions are below, or you can download a PDF version or DXF file here. (DXF file contains device footprint for proper device spacing.)

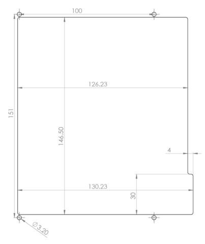
G3X and G500
The RealSimGear G3X and G500 share the same footprint and dimensions. The device measures 262.8mm wide and 179.1mm tall. Depth from the mounting surface to the knobs is 44mm.
The Panel Cutout Dimensions are below. You can download a pdf copy here or DXF File here.

GDU1500
The RealSimGear GDU1500 measures 375mm (w) x 283mm (h) and sits 6.5mm in front of the desktop stand or panel surface.

The panel cutout dimensions are below, or you can download a PDF version or DXF file here.
GFC500 Autopilot
The RealSimGear GFC500 is 158.00mm (W) x 53.3mm (H) and sits 20mm from the mounting face, not including the knobs.
-
The panel cutout DXF file can be downloaded here
-
The panel cutout PDF file can be downloaded here
GFC700 Autopilot
-
The panel cutout DXF file can be downloaded here
GMA350 Audio Panel
-
The panel cutout DXF file can be downloaded here
-
The panel cutout PDF file can be downloaded here
GCU47X
-
The panel cutout DXF file can be downloaded here
-
The panel cutout PDF file can downloaded here
GCU479
-
The panel cutout PDF file can be downloaded here
-
The panel cutout DXF file can be downloaded here
G5 ADI/HSI
The RealSimGear G5 is 86.6mm (W) x 91.6mm (H) and sits 19.25mm from the mounting face (not including the knob)
Cirrus Switch Panel
Cirrus Fuel / Flap Panel
FlightDeck Mounting Plate
TBM Switch Panels